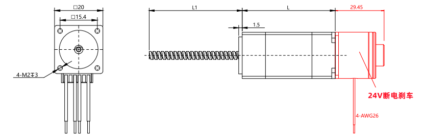
1、螺母往復運動;
2、最大推力60N;
3、機身長度、絲桿長度、導程可根據要求定制。
15817488109
命名規則:
08E3005A1-X-□□□
規格 | 說明 |
08 | 電機外徑:20mm |
E | 電機類型:外部驅動式 |
30 | 機身長度:30mm |
05 | 額定電流:0.5A |
A1 | 絲桿代碼 |
X | 配件代碼:E1(1000線編碼器)、E2(2000線編碼器)、B(剎車)、C(一體式) |
□ | 絲桿長度:□mm |
□□□ | 絲桿端部加工定制表:G光軸、A一字槽、M內螺紋 |
電機參數:
產品型號 | 電壓 | 額定 電流 | 保持 力矩 | 機身長 | 推薦 驅動器 |
08E3005A1-X-□□□ | 2.5V | 0.5A | 0.018N.m | 30mm | 脈沖型S-224D |
08E4205A1-X-□□□ | 6.3 | 0.5A | 0.03N.m | 42mm |
漢德保電機可根據客戶要求定制:繞線參數、出線方式。
漢德保其他類型驅動器有:功能型(開關型、模擬量型)、總線型(RS485、CANopen、EtherCAT等)
絲桿參數:
產品型號 | 絲桿直徑 | 導程(mm) | 步長1.8°(mm) | 斷電自鎖力(N) |
A1 | 3.5mm | 0.6096 | 0.003048 | 80 |
A2 | 1 | 0.005 | 40 | |
A3 | 2 | 0.01 | 10 | |
A4 | 4 | 0.02 | 1 | |
A5 | 6 | 0.04 | 0 |
請注意:其他絲桿直徑、導程可根據客戶要求定制。


安裝方法:
1、請盡量考慮散熱線、防止振動的問題,將電機牢牢地固定在強韌的金屬面上。
2、務必用電機前端蓋的安裝凸臺定位,并注意公差配合,嚴格保證電機輸出軸與負載的同心度。

以上曲線是用S-224D雙極性恒流斬波步進驅動器,在24Vdc條件下進行測試的。不同測試條件與運行工況將導致性能有所差異,合理的加減速將有助于提高電機性能,此處僅作參考,為確保使用壽命和可靠性,建議選用產品時留有50%以上余量。
下一款產品:20mm外部驅動式直線絲桿閉環步進電機